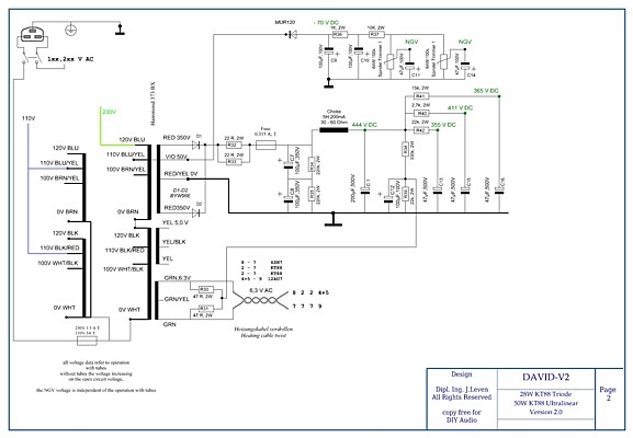
KT88 'DAVID' (28/50 Watt PP Monoblock)
KT88 Ultralinear Trioden Schaltung mir 6SN7 Eingangsroehre, 12AU7 Steuerroehre, und Lundahl LL1679 Ausgangstransformator.
Der Verstaerker kombiniert die Klang Vorteile eines SE Verstaerker mit der hoeheren Ausgangsleistung einer Gegentakt Schaltung (Push-Pull) ,dies bedeutet ein gleichmaessig abfallendes Klirr Spektrum aehnlich einer SE Endstufe und keine Ausloeschung der geradzahligen Harmonischen. Die KT88 kann in Trioden - oder Ultralinear Modus geschaltet werden. Die Gegenkopplung ist mit 5dB(Triode) - 9dB(Ultra) niedrig gehalten, ein straffes Netzteil, exakt einstellbare Arbeitspunkte der Roehren in Verbindung mit dem LL1679 garantieren Klang auf sehr hohem Niveau.
KT88 Ultralinear Triode amplifier, with 6SN7 input tube, 12AU7 driver tube, and Lundahl LL1679 output transformer.
This Amplifier combines the benefits of a good SE amplifier with the Ouput Power of a Push Pull Amplifier.
This means a low harmonic Distortion Spectrum as seen with SE designs, and no cancellation of the even Harmonics over the full range of the output Power. The KT88 can be operated in triode mode or ultra-linear mode. A small feedback is ised: 5dB (triode mode ) or 9dB (ultra linear mode ). This results in a harmonically decaying spectrum. The amplifier has a stabile power supply with high capacitance energy storage and choke filter, for convenient and precise adjustment of the tube bias.
Are you interested?
We recommend to use the transformer PCBs.
These do the same as normal wiring by hand will do, but there can be no wiring mistakes, and no wire mess.
In addition, the output impedance can be made switchable between two impedances, or can be made fixed.




